
APPLICATION: MEASURING THE TOTAL VOLUME OF COLD POTABLE WATER PASSING THROUGH THE METER(ALSO SUITABLE FOR PURE WATER)
OPERATING CONDITION:
*THE MIN.ADMISSIBLE WATER PRESSURE 1.6MPa
*RESISTING WATER TERPERATURE OF 50℃
SPECIALITY:
* LOW START-UP FLOW-RATE
* INSTALLATION IN ANY POSITION (SUCH AS LEVEL, VERTICAL)
* POSITIVE ROTATING PISTON TYPE, WITH RELIABLE PERFORMANCE
* HIGH ACCURACY
* BRASS BODY
* ON REQUEST,THIS SERIES CAN BE EQUIPPED WITH THE PULSE DEVICE
Maximum permissible error:
Between qt (included) and qs is ±2%;
Between qmin and qt (excluded) is ±5%.
NOTE: The technical data conform to ISO4064 standard, class C.
FLOW-ERROR CURVE
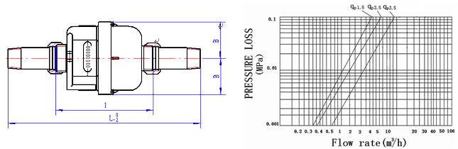
 SPECIFICATION AND OVERAL DIMENSIONS
|
Description |
Unit |
Hydraulic data and dimensions |
|
Nominal size |
mm |
DN15 |
DN20 |
DN25 |
|
inch |
1/2 |
3/4 |
1 |
|
Overload flow-rate (qs) |
m3/h |
3 |
5 |
7 |
|
Permanent flow-rate (qp) |
m3/h |
1.5 |
2.5 |
3.5 |
|
Transitional flow-rate (qt) |
l/h |
22.5 |
37.5 |
52.5 |
|
Minimum flow-rate (qmin) |
l/h |
15 |
25 |
35 |
|
Min. reading |
l |
0.1 |
0.1 |
0.1 |
|
Max. reading |
m3 |
99999.999 |
99999.999 |
99999.999 |
|
Nominal pressure |
MPa |
1.6 |
1.6 |
1.6 |
|
ΔP at the qs |
MPa |
≤0.1 |
≤0.1 |
≤0.1 |
|
L |
mm |
195 |
267 |
319 |
|
I |
mm |
115 |
165 |
199 |
|
B |
mm |
43 |
43 |
53 |
|
Weight |
With connections |
Kg |
1.14 |
1.56 |
2.48 |
|
Without connections |
0.97 |
1.3 |
2.05 | OVERALL DIMENSIONS PRESSURE LOSS CURVE
 |